

| Pos. | Teile.Number | Amount | Designation |
| 1 | 612600130794 | 1 | Adapter |
| 2 | 612600130793 | 1 | Hexagon nut |
| 3 | 612600130923 | 1 | Air compressor |
| 4 | 612600130306 | 1 | Aircompressor gear |
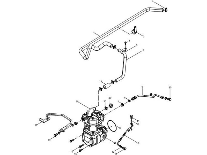
| Pos. | Teile.Number | Amount | Designation |
| 1 | 612600130387 | 1 | Air Connecting Rubber Pipe |
| 2 | 90003989301 | 4 | Hose clip |
| 3 | 612600112639 | 1 | Pipe Clamp Assembly |
| 4 | 90011430040 | 1 | Hexagon Flange Bolt |
| 5 | 612600061719 | 1 | Hexagon Flange Nut |
| 6 | 612600130363 | 1 | Air inlet pipe of air compressor |
| 7 | 612600130916 | 2 | Adapter body |
| 8 | 13023361 | 5 | Unit seal washer |
| 9 | 612600130603 | 1 | Water inlet pipe of air compressor |
| 10 | 612600130917 | 2 | Hollow bolt |
| 11 | 612600130333 | 2 | Hollow bolt |
| 12 | 612600080246 | 4 | Seal washer |
| 13 | 612600130377 | 1 | Oil pipe of air compressor assembly |
| 14 | 30800010003 | 1 | Seal washer |
| Pos. | Teile.Number | Amount | Designation |
| 15 | 90011430017S | 1 | Hexagon Flange Bolt |
| 16 | 90011430032 | 2 | Hexagon Flange Bolt |
| 17 | 612600130919 | 1 | Water return pipe assembly of air compressor |
| 18 | 612600130925 | 1 | Air compressor assembly |
| 19 | 612630060383 | 1 | Oil Connecting Rubber Pipe |
| 20 | 612600130270 | 1 | Exhaust pipe nipple |
| 21 | 612600130037 | 1 | Washer |
Shacman is mainly engaged in a full range of commercial vehicles such as heavy military off-road vehicles, heavy trucks, medium and light trucks, mini vehicles, refrigerated vehicles, and sweepers. We are a supplier focusing on Shacman heavy trucks.
{Shacman Spare Parts}
Contact us now!
High Quality Shacman Parts Supply:Spare Parts for Shacman X3000,X5000,X6000,F3000,M3000,H3000,L3000
WhatsApp Us
🟢 Online | Privacy policy
WhatsApp us
Send your inquiry / assessment to Us. Anything need us ,please don’t hesitate contact us here! we will keep it secret for you !