

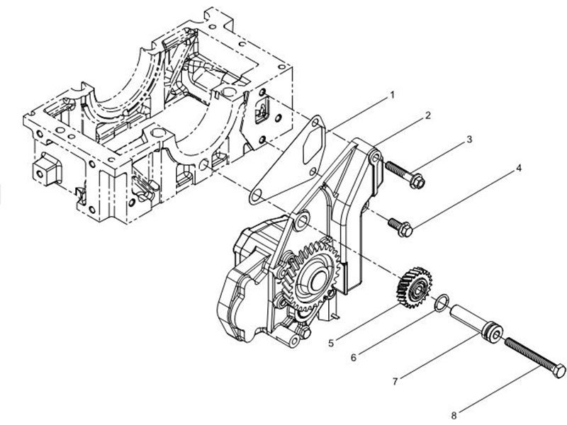
| Pos. | Teile.Number | Amount | Designation |
| 1 | 614070055 | 1 | Oil pump gasket |
| 2 | 612600070299 | 1 | Oil pump |
| 3 | 90011430010 | 1 | Hexagon Flange Bolt |
| 4 | 90011430008 | 1 | Hexagon Flange Bolt |
| 5 | 612600070510 | 1 | Oil Pump Idle Gear Assembly |
| 6 | 614070155 | 1 | Seal washer |
| 7 | 6140756 | 1 | Intermediate gear shaft |
| 8 | 90003802578S | 1 | Hexagon bolt |
Shacman is mainly engaged in a full range of commercial vehicles such as heavy military off-road vehicles, heavy trucks, medium and light trucks, mini vehicles, refrigerated vehicles, and sweepers. We are a supplier focusing on Shacman heavy trucks.
{Shacman Spare Parts}
Contact us now!
High Quality Shacman Parts Supply:Spare Parts for Shacman X3000,X5000,X6000,F3000,M3000,H3000,L3000
WhatsApp Us
🟢 Online | Privacy policy
WhatsApp us
Send your inquiry / assessment to Us. Anything need us ,please don’t hesitate contact us here! we will keep it secret for you !